ILM723 Current Control Circuit: Troubleshooting & Repair

N.Ravtech 70 views
ILM723 Current Control Circuit: Troubleshooting & Repair

ILM723 Current Control Circuit: Troubleshooting & Repair

Hey guys! Ever stumble upon an ILM723 current control circuit and think, “What’s the deal with this thing?” Well, you’re in the right place! This article is your ultimate guide to understanding, troubleshooting, and repairing these handy little circuits. We’ll dive deep, but don’t worry, I’ll keep it casual. Think of it as a friendly chat about electronics. Let’s get started, shall we?

Understanding the ILM723 Current Control Circuit

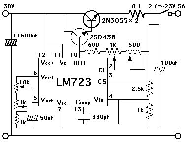
First things first, let’s get acquainted with the ILM723 current control circuit . This is a versatile integrated circuit (IC) that’s often used in power supply designs, and can be used for voltage regulation and, crucially for our discussion, current limiting . Now, why is this important? Well, current limiting protects your precious devices from overcurrent situations. Imagine a short circuit: Without current limiting, your circuit might go up in smoke! The ILM723 acts as a guardian angel, preventing excessive current flow.

So, what’s inside this little chip? The ILM723 typically includes a voltage reference, an error amplifier, and output transistors. In the context of current control, the error amplifier is the star of the show. It compares the output voltage or current (depending on your setup) with a reference voltage, and adjusts the output to maintain the desired level. The current-limiting feature usually involves sensing the current flowing through a sense resistor (more on that later), and when the current exceeds a predetermined threshold, the circuit reduces the output voltage, thereby limiting the current.

Now, let’s talk about the key components involved in this circuit. First, there’s the sense resistor . This is a low-value resistor placed in series with the load. The voltage drop across this resistor is proportional to the current flowing through the load (Ohms law: V=IR). The ILM723 monitors this voltage drop, and when it reaches a certain value, the current limiting kicks in. Next, you have the reference voltage . This is a stable voltage source (often provided internally by the ILM723 itself) that serves as a comparison point for the error amplifier. Then there is the error amplifier , which compares the output voltage to the reference voltage and adjusts the output accordingly. This is the brain of the operation, ensuring that the circuit behaves as expected.

Finally, there are the output transistors. These transistors actually deliver the current to the load. These transistors can handle significant amounts of current. Without them, you would not get the desired output current. Understanding these components is the first step toward understanding how the ILM723 works. It’s like knowing the players on a team before the big game; you need to know who’s who to understand what’s going on.

Common Problems & Troubleshooting Tips for ILM723 Circuits

Alright, let’s get into the nitty-gritty: troubleshooting the ILM723 current control circuit . Things go wrong, circuits break, it happens to the best of us. But don’t sweat it. With a little know-how, you can often diagnose and fix the problem. Here are some common issues and how to approach them:

  • No output voltage/current: This is a classic one. If your circuit isn’t delivering any power, the first thing to check is the input voltage. Is it present and at the correct level? Use a multimeter to measure the voltage at the input pins of the ILM723. If the input is good, then you should examine the ILM723 itself. It may be damaged. Check the enable pin. Sometimes, a simple enable pin not being pulled high can cause this issue. Make sure that it’s correctly connected.
  • Incorrect output voltage/current: If the output is present but at the wrong level, the first thing to check is the potentiometer that controls the output level. Is it set correctly? Also, check any resistors that are involved in setting the output voltage/current. Make sure that their values are correct and that they are not damaged. You can easily test them with a multimeter. It is also good to check the reference voltage. If the reference voltage is off, then the entire circuit will be off. Check the value of the reference voltage at the appropriate pin of the ILM723 and compare it to the datasheet value.
  • Current limiting not working: This is a tricky one because the current limiting feature is designed to kick in during overcurrent situations, which you may not be able to easily replicate without a controlled environment. However, if you suspect that the current limiting isn’t working, try increasing the load current until it reaches the current limit set by your sense resistor. Carefully monitor the output current. If it does not limit, you have a problem. First, check the value of the sense resistor. It might be the wrong value, or it might be open. Verify that the sense resistor is correctly connected. Also, check any resistors that are used to set the current limit. They also may be incorrect.
  • Oscillations/Instability: Sometimes, the output voltage or current can oscillate, leading to an unstable output. This can be caused by a variety of factors, including poor layout, improper compensation, or even a faulty ILM723. Start by checking the layout. Make sure that traces are short and direct, and that there are no long, unshielded wires that can pick up noise. Next, check the compensation network, which usually consists of a capacitor and resistor connected to the compensation pin. These components are critical for ensuring that the circuit is stable. Finally, make sure that the ILM723 is not oscillating internally. You can test this by connecting an oscilloscope to the output and looking for high-frequency oscillations.

Important Tips for Troubleshooting:

  • Use a Multimeter: A multimeter is your best friend. Use it to measure voltages, currents, and resistances. Without one, you’re flying blind!
  • Check the Datasheet: The datasheet for the ILM723 (or any IC) is your bible. It contains critical information about pinouts, operating conditions, and recommended component values.
  • Inspect Visually: Look for burnt components, cracked solder joints, or anything else that looks out of place.
  • Isolate the Problem: If possible, disconnect parts of the circuit to isolate the problem. For example, you can disconnect the load to see if the output voltage is stable.
  • Safety First: Always work with the power off. And if you’re working with high voltages, be extra careful!

Repairing the ILM723 Current Control Circuit

So, you’ve diagnosed the problem, now what? Repairing the ILM723 current control circuit is often a matter of replacing faulty components. Here’s how to approach it:

  • Component Replacement: If you’ve identified a faulty component (resistor, capacitor, diode, etc.), carefully desolder the old one and solder in a new one with the correct specifications. Make sure you use the correct type of replacement component; using the wrong part can lead to more problems.
  • IC Replacement: If the ILM723 itself is faulty, replacing it is often the best course of action. Remove the old IC (carefully, using a desoldering tool or braid) and install a new one. Make sure you orient the new IC correctly, paying attention to the pinout (again, the datasheet is your friend!).
  • Soldering Techniques: Use good soldering techniques. Make sure that the solder joints are clean, shiny, and free of solder bridges. A bad solder joint can lead to all sorts of problems. Be careful not to overheat the components. Using too much heat can easily damage them.
  • Layout Modifications: Sometimes, the layout of the circuit can contribute to the problem. If you are comfortable, you might consider modifying the layout to improve stability. Make sure that the traces are as short as possible, and that the ground planes are properly connected. This can be particularly important for high-frequency circuits. Before doing this, it’s best to consult a more advanced resource or schematic.
  • Testing and Verification: After making any repairs, always test the circuit thoroughly to ensure that it’s working correctly. Use a multimeter and oscilloscope to check the output voltage, current, and stability. You can also test the current limiting by increasing the load current until the current limit kicks in.

Step-by-Step ILM723 Circuit Repair Guide

Alright, let’s break down the ILM723 circuit repair process into a simple, step-by-step guide:

  1. Safety First: Disconnect the power and make sure everything is discharged. Seriously, safety is paramount. You don’t want to get zapped!
  2. Visual Inspection: Examine the circuit board closely. Look for any obvious signs of damage, such as burnt components, cracked solder joints, or bulging capacitors.
  3. Datasheet Research: Get the datasheet for the ILM723. This will give you the pinout and other important information. It’s really the bible for the repair job.
  4. Voltage Checks: Use your multimeter to check the input voltage. Is it within the specified range? Then check the reference voltage (usually on pin 6). Is it correct? These are good quick tests.
  5. Component Testing: If you suspect a component is faulty, test it. Use your multimeter to check resistors, capacitors, and diodes. Look for shorts, opens, and incorrect values. Remove it before testing if necessary.
  6. ILM723 Testing: If you think the ILM723 itself is bad, there are a few ways to test it. Check the output voltage and current on each pin. Use an oscilloscope to look for oscillations. If you have a known-good ILM723, you can swap it in to see if that fixes the problem.
  7. Component Replacement (if necessary): Desolder and replace any faulty components. Make sure you use the correct replacement part and that you solder it properly. It’s often best to remove the old component first using a desoldering tool. Make sure that you clean the board when removing the old part. Do not bridge solder when replacing the part.
  8. ILM723 Replacement (if necessary): Desolder the old ILM723 and solder in a new one, making sure you get the orientation right. As above, use a desoldering tool and clean the board. Then, install the new chip and make sure that you are careful.
  9. Re-assemble/Re-connect the circuit: After you are sure the circuit is corrected, connect the components to their place. Double-check all the wiring to ensure that there are no issues.
  10. Power Up and Test: Apply power and check the output voltage and current. Make sure the current limiting is working as expected. If the circuit is working as expected, that is great!
  11. Final Checks: Check the output voltage and current under various load conditions. Check that the output voltage and current are stable and free of oscillations. Make sure that the circuit is stable and operates normally.

Common Mistakes to Avoid

Alright, let’s talk about the common mistakes to avoid when working on the ILM723 current control circuit. These pitfalls can turn a simple repair into a frustrating ordeal, so here they are:

  • Not Using a Datasheet: Seriously, I cannot stress this enough. The datasheet is your lifeline. Don’t even think about starting a repair without it. It’s like trying to build a house without a blueprint. You’re just asking for trouble.
  • Incorrect Component Values: Make sure you use the correct component values. Using the wrong values can throw off the entire circuit and lead to instability, incorrect output levels, or even damage. Double-check everything!
  • Poor Soldering: Bad solder joints are a recipe for disaster. They can cause intermittent connections, shorts, or opens. Make sure your solder joints are clean, shiny, and properly formed. Practice makes perfect!
  • Forgetting Safety: Always work with the power off. And if you’re working with high voltages, be extra cautious. Use insulated tools, and don’t touch anything that you’re not sure about.
  • Rushing the Process: Take your time. Don’t rush through the repair. A careful, methodical approach will save you time and headaches in the long run. If you are rushing, then you are more likely to make a mistake.
  • Ignoring the Layout: The layout of the circuit can affect its performance, especially in high-frequency applications. Make sure that the traces are short and direct, and that the ground planes are properly connected. This may not be an issue for all circuits, but it is important to check.
  • Not Testing Thoroughly: After making repairs, always test the circuit thoroughly. Check the output voltage, current, and stability. Don’t assume that everything is working just because it powers up. Always double-check.
  • Assuming the ILM723 is Always the Problem: While the ILM723 can fail, it’s not always the culprit. Other components, such as resistors, capacitors, and diodes, can also fail. Don’t jump to conclusions. Test everything! It is also possible that a component is damaged, and this then damages the ILM723. Take some time to test and investigate the circuit.

Conclusion: Mastering the ILM723

So there you have it, folks! Your complete guide to the ILM723 current control circuit , from understanding its function to troubleshooting and repair. Remember, electronics is all about learning by doing. So, grab your multimeter, get your hands dirty, and don’t be afraid to experiment. With a little bit of knowledge and a lot of patience, you’ll be able to tackle these circuits like a pro. Keep learning, keep tinkering, and most importantly, keep having fun! If you have any further questions or want to discuss this topic more, feel free to drop a comment below. Happy repairing! And remember to stay safe out there in the world of electronics! Now, go forth and conquer those ILM723 circuits! You got this!