LM741 Op Amp LTspice Model Guide

N.Ravtech 70 views
LM741 Op Amp LTspice Model Guide

LM741 Op Amp LTspice Model Guide

Hey guys! Today, we’re diving deep into the world of analog circuit simulation with a focus on one of the most iconic operational amplifiers out there: the LM741 . If you’re tinkering with circuits, chances are you’ve encountered or will encounter this legendary chip. And when it comes to simulating its behavior, LTspice is the go-to tool for many engineers and hobbyists. So, buckle up as we explore how to get the most out of the LM741 op amp LTspice model , making your circuit design process smoother and more efficient. We’ll cover everything from finding the model to implementing it in your simulations, ensuring you understand its nuances and can leverage its power.

Understanding the LM741 Op Amp

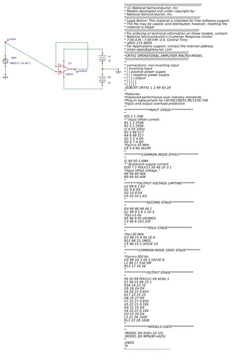
The LM741 operational amplifier is a classic for a reason, guys. It’s been around since the late 1960s, and it’s incredibly versatile. Think of it as the Swiss Army knife of analog electronics. Its basic function is to amplify the difference between two input voltages. But it does so much more! It’s used in everything from audio amplifiers and active filters to signal conditioning and control systems. Its wide availability, low cost, and straightforward operation made it a staple in countless electronic designs. Even though newer, more advanced op amps exist, understanding the LM741 is fundamental because it teaches the core principles of how op amps work. Its internal circuitry, while relatively simple compared to modern counterparts, demonstrates key concepts like differential amplifiers, gain stages, and output drivers. This makes it an excellent component for learning and for basic circuit implementations where extreme precision or high-speed performance isn’t critical. Its robustness also means it can often withstand some abuse during experimentation, which is a big plus when you’re just starting out or prototyping. The LM741 typically operates on a dual power supply, meaning it needs both a positive and a negative voltage to function correctly. This dual supply requirement is common for many op amps and is essential for achieving both positive and negative output voltages without distortion. The pinout is also fairly standard, making it easy to identify and connect in breadboard or PCB designs. When simulating, understanding these fundamental characteristics is key to setting up your LTspice schematic correctly. For instance, correctly applying the power supply voltages to the V+ and V- pins is crucial for the op amp to function as expected.

Key Features and Specifications

Before we jump into LTspice, let’s quickly recap some of the LM741’s key features . It boasts a high open-loop gain (typically around 100,000), a wide common-mode input voltage range, and short-circuit protection on the output. It also features offset null capabilities, allowing you to fine-tune the output offset voltage to near zero when the inputs are shorted. While its bandwidth and slew rate aren’t blazing fast compared to modern chips, they are perfectly adequate for a vast range of audio and general-purpose applications. The internal compensation capacitor is a significant feature that simplifies its use by preventing oscillations in typical amplifier configurations, making it more stable. This internal compensation is a trade-off, however, as it limits the unity-gain bandwidth. For the LM741, this is typically around 1 MHz. The slew rate, which is the maximum rate of voltage change at the output, is usually in the range of 0.5 V/µs. These parameters dictate the frequency response and dynamic behavior of circuits built with the LM741. For example, if you’re designing a high-frequency filter or a fast pulse amplifier, you’d likely need a different op amp. But for audio frequencies, servo loops, or general signal amplification, the LM741 often fits the bill. Its input offset voltage is also a parameter to consider; it’s the small voltage difference between the input terminals that produces zero output voltage. While typically in the low millivolt range, it can be important in high-gain or precision applications. The input bias current is another factor, representing the average current flowing into or out of the input terminals. These parameters, along with input offset current, are what you’ll often find specified in the datasheet and are crucial for accurate simulation. The LM741 is also known for its relatively high output current capability, though this is also limited compared to newer designs. Understanding these specs helps you appreciate why the LM741 is still relevant and what its limitations are, guiding your simulation setup and interpretation of results in LTspice.

Getting Started with LTspice

Alright, so you’ve decided to simulate your LM741-based circuit. LTspice is a free, powerful, and widely used SPICE simulator developed by Analog Devices. If you haven’t already, download and install it. It’s available for Windows and macOS. Once you have it up and running, you’ll notice it has a bit of a learning curve, but trust me, it’s worth it. The interface might seem a bit dated at first, but its simulation capabilities are top-notch. It’s known for its speed and accuracy, especially with analog circuits. You can find tons of pre-built component models, and it’s relatively easy to create your own or import them. For beginners, I always recommend starting with simple circuits to get a feel for how LTspice works. Things like basic voltage followers, inverting amplifiers, and non-inverting amplifiers are great starting points. Don’t be afraid to experiment with different component values and see how the simulation results change. LTspice uses netlists, which are text-based descriptions of your circuit, but the graphical schematic editor makes it much more accessible. You draw your circuit by placing components and connecting them with wires, just like you would on a breadboard. Then, you assign component values and select the type of analysis you want to perform (e.g., transient analysis for time-domain behavior, AC analysis for frequency response). The software then generates the SPICE netlist behind the scenes and runs the simulation. The results are typically displayed as graphs, allowing you to visualize voltages, currents, and other parameters over time or frequency. There are also options for DC operating point analysis, noise analysis, and more, depending on what you need to investigate. The key is to familiarize yourself with the toolbar icons, how to place and edit components, how to run simulations, and how to interpret the waveform viewer. Many online tutorials and forums are dedicated to LTspice, so you’re never truly alone if you get stuck. The community is super helpful, and you can find answers to almost any question you might have.

Downloading and Installing LTspice

First things first, you need the software! Download LTspice directly from the Analog Devices website. Just search for “LTspice download” and you’ll find the official page. It’s free, so no worries there. The installation process is pretty standard. Follow the on-screen prompts, and you should be up and running in no time. Once installed, launch LTspice. You’ll be greeted by the main window, which is where you’ll create your schematics. Don’t get overwhelmed by all the buttons and menus; we’ll break it down as we go. The key is to start simple. Create a new schematic ( File > New Schematic ). You’ll see a blank canvas. Now, let’s talk about adding components. Click the “Add Component” button (it looks like an integrated circuit symbol) or press F2 . A dialog box will pop up with a vast library of components. You can type in the name of a component, like “resistor” or “capacitor”, and LTspice will find it for you. For basic passive components, you can usually find them directly in the library. For active components like the LM741, we’ll need a specific model, which we’ll cover next. Remember to save your schematic frequently ( File > Save As ). LTspice uses its own file format ( .asc ). It’s a good habit to organize your project files in a dedicated folder. If you’re on Windows, you might see a “Control Panel” window that opens when you launch LTspice. This is where you can manage libraries, component settings, and other preferences. It’s worth exploring this a bit to see what options are available, but for basic simulations, you won’t need to change much initially. The goal is to get comfortable with the basic workflow: create schematic, add components, wire them up, assign values, set up simulation, run, and view results. Each step is important, and practicing with simple circuits will build your confidence.

When you first open LTspice , the interface might seem a little intimidating, but don’t sweat it, guys! It’s actually pretty intuitive once you get the hang of it. The main window is your schematic editor. You’ve got a toolbar at the top with all sorts of handy shortcuts: save, open, add component, wire, ground, and various simulation commands. Below that is your schematic canvas where you’ll be drawing your circuits. On the left side, you’ll typically see the component library panel when you click the “Add Component” button. This is where you find resistors, capacitors, transistors, op-amps, and more. You can type in the component name, and LTspice will filter the list for you. To place a component, select it and click on the schematic canvas. To wire things up, click the “Wire” tool (or press F3 ) and click on the component pins you want to connect. LTspice automatically detects connections when wires touch pins. You’ll also need a ground symbol, which you can find under the “Add Component” menu or by clicking the ground icon on the toolbar. Grounding is super important in any circuit simulation! To set component values, right-click on the component symbol. A dialog box will pop up where you can enter the value (e.g., 10k for 10 kilohms, 1u for 1 microfarad). For active components like the LM741, you’ll often need to associate a specific model file, which we’ll discuss in the next section. Once your schematic is complete, you can run a simulation by clicking the “Run” button (the sideways running man icon) or pressing Ctrl+R . Before running, you might need to place a simulation command. Go to Simulate > Simulation Command . For basic DC analysis, you can just run it. For AC analysis (frequency response), you’ll select .ac lin 100 1 1MEG (or similar). For transient analysis (time-domain response), you’ll select .tran 1m (or similar). After the simulation finishes, a waveform viewer window will pop up, showing the results. You can add traces by right-clicking on the plots or clicking on specific nodes or components in your schematic. It’s all about practice, so keep clicking around and exploring!